Please so do not hesitate to call us 1-888-468-3672

Projects Showcase

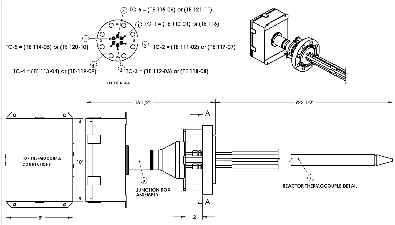
Reactor Hydrocracker Thermocouple

The Reactor Hydrocracker Thermocouple project is one of the largest manufacturing projects completed by Intempco. Six number of Type K thermocouples (per ASTM E320) with pre-defined immersion lengths are assembled with 3” -600 Lbs ANSI B16.5 flange through compression fittings as shown.


Details & Specifications

Overall length of reactor hydrocracker thermocouple including enclosure box = 78 feet

Design condition: 800° F, 660 PSIG

Hydrocracking is a process used in refineries to transform crude oil into a mix of valuable products such as kerosene or diesel. Hydrocracking units break down (crack) heavy oil fractions into lighter high-value products. The heavy oil fractions are mixed with hydrogen gas and then subjected to high temperatures and pressure.

Hydrocracking reactions are highly exothermic. Heat control is therefore an important concern, as a high temperature excursion can lead to loss of hydrocarbon containment, catalyst deactivation and lost production. Our goal with the reactor hydrocracker thermocouple was to create a product that would prevent thermal runaways in refineries performing hydrocracking processes.

X

Please select your region and language

(to make your selection, click on a regional language)

Canada
USA
X

Request Membership

Are you a customer or a distributor?

Customer
Distributor